Devre Şemaları

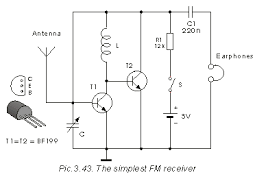
BF199 FM Alıcı Şeması
Devrenin Temel Yapısı ve Mantığı
-
Devre, anten, LC ayar bölümü, RF yükseltme katı ve ses çıkış bölümünden oluşur.
-
Anten üzerinden alınan FM sinyali, rezonans devresi sayesinde seçilir.
-
BF199 transistörleri, hem sinyal yükseltme hem de demodülasyon aşamalarında görev alır.
-
FM taşıyıcısı üzerindeki ses bilgisi ayrıştırılarak kulaklığa iletilir.
Bu yapı, FM alıcıların en sade hâllerinden biridir ve profesyonel alıcılara kıyasla daha basit bir çalışma prensibine sahiptir.
Devrede Yer Alan Elemanlar ve Görevleri
Anten
-
Ortamda yayılan FM radyo dalgalarını algılar.
-
Antenin boyu ve yerleşimi alım performansını belirler.
-
Kısa bir tel antenle dahi alım yapılabilir, ancak uzun anten daha iyi sonuç verir.
Bobin (L)
-
Kondansatörlerle birlikte frekans seçimi yapan LC devresini oluşturur.
-
FM bandında belirli bir istasyonun seçilmesini sağlar.
-
Sarım sayısı ve bobin çapı frekans ayarını doğrudan etkiler.
Kondansatörler
-
LC rezonans devresinin hassas çalışmasına katkı sağlar.
-
Yüksek frekans sinyallerinin süzülmesini sağlar.
-
DC bileşenleri engelleyerek sadece AC sinyallerin ilerlemesine izin verir.
-
Devrenin kararlılığını artırır.
BF199 Transistörleri
-
BF199, özellikle VHF ve FM bandı için tasarlanmış bir RF transistörüdür.
-
Antenden gelen zayıf FM sinyalini yükseltir.
-
FM sinyal üzerindeki frekans değişimlerinden ses bilgisinin elde edilmesine yardımcı olur.
-
Yüksek frekansta çalışmaya uygun yapısı sayesinde daha iyi alım sağlar.
Dirençler
-
Transistörlerin doğru çalışma noktasında kalmasını sağlar.
-
Akım sınırlama ve gerilim ayarlama görevini üstlenir.
-
Devrenin stabil çalışmasına katkıda bulunur.
Ses Çıkışı (Kulaklık)
-
Demodüle edilen ses sinyali kulaklığa aktarılır.
-
Devre çıkış gücü düşük olduğu için doğrudan hoparlör sürülemez.
-
Temiz ses almak için düşük empedanslı kulaklık tercih edilir.
Besleme Kaynağı (3V)
-
Devre düşük gerilimle çalışacak şekilde tasarlanmıştır.
-
Genellikle iki adet 1,5V pil kullanılır.
-
Düşük güç tüketimi sayesinde taşınabilir kullanım sağlar.
Devrenin Çalışma Süreci
-
Anten FM radyo sinyallerini toplar
-
LC devresi belirli bir frekansı seçer
-
BF199 transistörü RF sinyalini yükseltir
-
FM taşıyıcısı üzerinden ses bilgisi ayrılır
-
Ses sinyali kulaklığa iletilir
Devrenin Avantajları
-
Yüksek frekans için uygun BF199 kullanımı
-
Az elemanla kurulabilen sade yapı
-
FM alıcı prensiplerini öğretici nitelik
-
Düşük maliyetli ve erişilebilir
-
Hobi projeleri için ideal
Devrenin Sınırlamaları
-
Frekans ayarı hassas ve zahmetlidir
-
Gürültü ve parazite açıktır
-
Alım mesafesi sınırlıdır
-
Frekans kararlılığı düşüktür
-
Profesyonel FM alıcıların yerini tutmaz
Kullanım Amaçları
-
Elektroniğe yeni başlayanlar için RF örneği
-
Radyo frekans temellerini öğrenme
-
Hobi ve deneysel FM alıcı projeleri
-
Eğitim amaçlı devre uygulamaları
Devreyi Geliştirmek İçin Öneriler
-
Ayarlı kondansatör eklenerek frekans ayarı kolaylaştırılabilir
-
Ses yükseltici kat eklenerek hoparlörle kullanım sağlanabilir
-
Daha kaliteli anten ile çekim mesafesi artırılabilir
-
Metal muhafaza kullanılarak parazit azaltılabilir
Genel Değerlendirme
BF199 transistörlü bu FM radyo alıcısı, yüksek frekans elektroniğine giriş yapmak isteyenler için oldukça uygun bir devredir. Basit yapısı sayesinde öğrenmesi kolaydır; aynı zamanda RF devrelerinin temel çalışma mantığını pratik olarak gösterir.
2N2222-BC547 FM Alıcı
Devrenin Genel Çalışma Mantığı
-
Anten üzerinden ortamda yayılan FM radyo dalgaları alınır.
-
Bobin ve kondansatörden oluşan LC devresi, sadece belirli bir frekanstaki sinyali seçer.
-
Seçilen yüksek frekanslı sinyal, ilk transistör tarafından yükseltilir.
-
İkinci transistör, FM sinyalin taşıyıcısından ses bilgisini ayırır (demodülasyon).
-
Ortaya çıkan ses sinyali kulaklık çıkışına iletilir.
Bu devre, süperheterodin alıcılar gibi karmaşık değildir; doğrudan algılamaya dayalı basit bir FM alıcı yapısına sahiptir.
Devrede Kullanılan Elemanlar ve Görevleri
Anten
-
Ortamdaki FM radyo sinyallerini toplar.
-
Antenin uzunluğu ve konumu alım kalitesini doğrudan etkiler.
-
Basit bir tel anten kullanılabilir, ancak daha uzun anten daha iyi sonuç verir.
Bobin (L)
-
Kondansatörlerle birlikte rezonans (LC) devresini oluşturur.
-
FM bandında belirli bir frekansın seçilmesini sağlar.
-
Bobin sarım sayısı ve çapı, alıcı frekansını doğrudan etkiler.
Kondansatörler
-
LC devresinde frekans ayarını sağlar.
-
Yüksek frekanslı sinyallerin filtrelenmesine yardımcı olur.
-
DC ve AC sinyallerin birbirinden ayrılmasını sağlar.
-
Devrenin kararlı çalışmasına katkıda bulunur.
Birinci Transistör (PN2222 veya BC547)
-
Antenden gelen zayıf FM sinyalini yükseltir.
-
RF yükselteç olarak çalışır.
-
LC devresinden gelen sinyalin güçlendirilmesini sağlar.
İkinci Transistör (BC547)
-
Yükseltilmiş FM sinyali üzerinde demodülasyon işlemini gerçekleştirir.
-
FM sinyal içindeki ses bilgisini ayırır.
-
Düşük frekanslı ses sinyalinin oluşmasını sağlar.
Dirençler
-
Transistörlerin doğru çalışma noktasında çalışmasını sağlar.
-
Akımı sınırlar ve devreyi korur.
-
Gerilim bölme ve bias ayarı görevini üstlenir.
Çıkış (Kulaklık)
-
Demodüle edilen ses sinyalini işitilebilir hale getirir.
-
Devre çıkış gücü düşük olduğu için kulaklıkla kullanıma uygundur.
-
Hoparlör kullanımı için ek bir ses yükseltici gereklidir.
Besleme Kaynağı (9V)
-
Devre 9 voltluk pil ile beslenir.
-
Yeterli gerilim sağlayarak transistörlerin düzgün çalışmasını mümkün kılar.
-
Pil kullanımı devreyi taşınabilir hale getirir.
Devrenin Adım Adım Çalışması
-
Anten ortamdan FM sinyallerini toplar
-
LC devresi belirli bir frekansı seçer
-
İlk transistör sinyali yükseltir
-
İkinci transistör FM sinyalden ses bilgisini ayırır
-
Ses sinyali kulaklık çıkışına iletilir
Devrenin Avantajları
-
Az sayıda elemanla kurulabilir
-
Yapımı basittir
-
FM radyo alım mantığını öğretir
-
Eğitim ve deney amaçlı kullanıma uygundur
-
Düşük maliyetlidir
Devrenin Dezavantajları
-
Frekans ayarı hassastır
-
Gürültüye açıktır
-
Alım mesafesi sınırlıdır
-
Frekans kararlılığı düşüktür
-
Profesyonel alıcılarla kıyaslanamaz

USB FM verici
Devrenin Genel Çalışma Prensibi
-
USB bağlantısı üzerinden ses sinyali devreye alınır.
-
Ses sinyali uygun seviyeye getirilir ve filtrelenir.
-
Osilatör ve frekans belirleyici kat, FM taşıyıcı sinyali üretir.
-
Ses sinyali, taşıyıcı frekans üzerine bindirilerek (frekans modülasyonu) yayınlanır.
-
Anten aracılığıyla FM bandında düşük güçlü bir yayın yapılır.
-
Yakındaki FM radyolar bu yayını alabilir.
Bu devre, profesyonel yayın sistemlerinden farklı olarak kısa mesafeli ve düşük güçlü çalışır.
Devrede Bulunan Temel Bölümler
USB Giriş Bölümü
-
Bilgisayar veya USB destekli cihazdan ses sinyalini alır.
-
Aynı zamanda devre için gerekli besleme gerilimini sağlar.
-
USB hattındaki parazitlerin filtrelenmesi için kondansatörler kullanılır.
Ses İşleme ve Filtreleme Katı
-
USB’den gelen ses sinyalinin genliği ayarlanır.
-
Gürültü ve istenmeyen frekanslar bastırılır.
-
FM modülasyonuna uygun hâle getirilir.
Bu bölüm, yayınlanan sesin kalitesini doğrudan etkiler.
Osilatör ve Frekans Üretim Bölümü
-
FM bandında çalışacak taşıyıcı frekans bu kat tarafından üretilir.
-
Bobin ve kondansatörlerden oluşan LC devresi kullanılır.
-
Frekans ayarı genellikle trimmer kondansatör ile yapılır.
Modülasyon Katı
-
Ses sinyali, taşıyıcı frekansın frekansını değiştirerek FM modülasyonu oluşturur.
-
Ses sinyalindeki değişimler, yayınlanan FM sinyalin frekansında küçük sapmalara yol açar.
-
FM alıcılar bu sapmaları tekrar ses sinyaline çevirir.
RF Yükseltme Katı
-
Oluşturulan FM sinyalinin çıkış gücü artırılır.
-
Düşük güçlü yayın yapılmasını sağlar.
-
Yayın mesafesi bu katın verimliliğine bağlıdır.
Anten
-
FM sinyalinin ortama yayılmasını sağlar.
-
Antenin uzunluğu ve konumu yayın menzilini belirler.
-
Genellikle kısa tel anten veya PCB anten kullanılır.
Devrede Kullanılan Elemanların Genel Görevleri
-
Dirençler: Akım sınırlama ve çalışma noktası ayarı
-
Kondansatörler: Filtreleme, sinyal ayırma ve kararlılık
-
Bobinler: Frekans belirleme ve RF ayarı
-
Entegre devre: Osilatör, modülasyon veya kontrol işlevleri
-
Transistörler: RF yükseltme ve sinyal şekillendirme
Devrenin Çalışma Aşamaları
-
USB üzerinden ses ve besleme gerilimi alınır
-
Ses sinyali filtrelenir ve seviyesi ayarlanır
-
FM taşıyıcı frekans üretilir
-
Ses sinyali FM modülasyonu ile taşıyıcıya bindirilir
-
RF sinyali yükseltilir
-
Anten aracılığıyla yayın yapılır
Devrenin Avantajları
-
Kablolu bağlantı gerektirmeden ses iletimi sağlar
-
Düşük maliyetli ve basit yapı
-
FM modülasyon mantığını öğretir
-
Hobi ve deney amaçlı kullanıma uygundur
-
Standart FM radyolarla uyumludur
Devrenin Sınırlamaları
-
Yayın gücü düşüktür
-
Kısa mesafede çalışır
-
Parazit ve gürültüye açıktır
-
Frekans kararlılığı sınırlıdır
-
Yasal yayın sınırlarına dikkat edilmelidir
Kullanım Alanları
-
Kısa mesafeli ses iletimi
-
Eğitim amaçlı FM verici deneyleri
-
Hobi projeleri
-
FM modülasyonunun öğrenilmesi
-
Deneysel kablosuz ses uygulamaları
Geliştirme Önerileri
-
Daha kararlı osilatör tasarımı kullanılabilir
-
RF filtre eklenerek harmonikler azaltılabilir
-
Anten tasarımı iyileştirilebilir
-
Düşük gürültülü ses ön yükselteci eklenebilir
-
Metal muhafaza ile parazit etkisi azaltılabilir
Yasal Uyarı
FM verici devreleri, ülkeden ülkeye değişen yasal yayın sınırlamalarına tabidir. Bu tür devreler yalnızca düşük güçlü, kısa mesafeli ve deney amaçlı kullanılmalıdır. Uzun mesafeli yayınlar yasal sorunlara yol açabilir.
Genel Değerlendirme
USB FM Transmitter devresi, FM verici sistemlerinin temel prensiplerini anlamak için iyi bir örnektir. Basit yapısı sayesinde öğrenmesi kolaydır; ancak profesyonel yayıncılık için uygun değildir. Eğitim ve hobi amaçlı kullanımlarda oldukça öğretici bir projedir.

CXA1238 FM RADYO (En sevdiğim radyo entegresidir)
Devrenin Genel Yapısı
Devre temel olarak şu bölümlerden oluşur:
-
Anten ve RF giriş bölümü
-
LC frekans ayar (tuning) katı
-
IF (ara frekans) ve demodülasyon katı
-
Stereo çözme (decoder) bölümü
-
Ses çıkış ve filtreleme katı
-
Besleme ve kontrol elemanları
Bu bölümlerin büyük kısmı CXA1238S entegresi içinde yer alır; dış elemanlar ise ayar, filtreleme ve kararlılık için kullanılır.
CXA1238S Entegresinin Görevi
CXA1238S, FM radyo alıcıları için özel olarak tasarlanmış bir entegredir ve aşağıdaki işlevleri tek çipte toplar:
-
RF sinyal işleme
-
FM demodülasyonu
-
Stereo / mono ayrımı
-
Gürültü bastırma (mute)
-
Sol ve sağ kanal ayrımı
Bu sayede devre karmaşıklığı ciddi şekilde azalır ve kararlı bir alım sağlanır.
Anten ve RF Giriş Bölümü
-
Anten olarak yaklaşık 50 cm bakır tel kullanılabilir.
-
Antenden gelen FM sinyali, bobin (L1) ve kondansatörler (C1, C2) üzerinden RF girişine yönlendirilir.
-
Bu bölüm, istenmeyen frekansların bastırılmasını ve sadece FM bandının devreye girmesini sağlar.
Antenin konumu ve uzunluğu alım kalitesini doğrudan etkiler.
Frekans Ayar (Tuning) Devresi
-
Bobinler (L1, L2, L3) ve ayarlı kondansatörler FM bandında frekans seçimi yapar.
-
Trim1 ile ince frekans ayarı gerçekleştirilir.
-
Bu bölüm, istenen radyo istasyonunun net şekilde ayarlanmasını sağlar.
Ayarsız veya hatalı bobin–kondansatör kombinasyonu alımı zorlaştırır.
IF (Ara Frekans) ve Demodülasyon
-
Seçilen FM sinyali entegre içinde ara frekansa dönüştürülür.
-
FM demodülasyonu burada gerçekleştirilir.
-
Taşıyıcı frekans üzerinden ses bilgisi ayrıştırılır.
Bu aşama, ses kalitesini ve parazit seviyesini belirleyen kritik bölümlerden biridir.
Stereo Çözme (Decoder) Bölümü
-
CXA1238S, FM stereo yayınlardaki sol (L) ve sağ (R) kanalları ayırır.
-
Stereo sinyal yeterli değilse otomatik olarak mono moda geçebilir.
-
S1 anahtarı ile stereo/mono seçimi yapılabilir.
Bu özellik, zayıf sinyal durumlarında gürültüyü azaltır.
Ses Çıkış Katı
-
Sol ve sağ ses çıkışları ayrı ayrı elde edilir.
-
Çıkışlar, doğrudan hoparlör sürmek için değil, harici bir amplifikatöre bağlanmak içindir.
-
C8, C9 gibi kondansatörler DC bileşenleri engeller ve temiz ses çıkışı sağlar.
Bu yapı, ses kalitesinin korunmasına yardımcı olur.
Direnç ve Kondansatörlerin Rolü
-
Dirençler, entegre içindeki katların doğru çalışma noktasında kalmasını sağlar.
-
Kondansatörler filtreleme, kuplaj ve kararlılık görevleri üstlenir.
-
Özellikle IF ve ses çıkış bölümlerinde kondansatör değerleri kritiktir.
Besleme Bölümü
-
Devre 6–9 V DC ile çalışır.
-
Besleme hattında kullanılan kondansatörler gerilim dalgalanmalarını bastırır.
-
Temiz ve stabil bir besleme, alım kalitesini doğrudan artırır.
Pilli kullanım taşınabilirlik sağlar, adaptör kullanımı ise dikkatli filtreleme gerektirir.
Devrenin Çalışma Aşamaları
-
Anten FM sinyalini alır
-
LC devresi istenen frekansı seçer
-
CXA1238S sinyali IF katına dönüştürür
-
FM demodülasyonu gerçekleştirilir
-
Stereo sinyal sol ve sağ kanallara ayrılır
-
Ses çıkışları amplifikatöre iletilir
Devrenin Avantajları
-
Stereo FM alımı sağlar
-
Kararlı ve temiz ses çıkışı
-
Parazitlere karşı daha dayanıklı yapı
-
Az sayıda harici eleman
-
Eğitim ve yarı profesyonel kullanım için uygun
Devrenin Sınırlamaları
-
Hassas ayar gerektirir
-
Bobin sarımı ve ayar zorlayıcı olabilir
-
Doğrudan hoparlör sürmez
-
PCB yerleşimi kötü yapılırsa parazit artar
Kullanım Alanları
-
Ev tipi FM tuner projeleri
-
Eğitim amaçlı radyo uygulamaları
-
Amfi öncesi FM alıcı katı
-
Hobi ve deneysel radyo sistemleri
Geliştirme Önerileri
-
Daha kaliteli anten kullanımı
-
Metal muhafaza ile RF ekranlama
-
Düşük gürültülü amplifikatör eklenmesi
-
Hassas ayar için kaliteli trimmer kondansatör
Genel Değerlendirme
CXA1238S entegreli bu FM stereo tuner devresi, basit FM alıcılardan bir adım ileri seviyede, daha kararlı ve kaliteli alım sunan bir çözümdür. Stereo çözme yeteneği ve entegre yapısı sayesinde, FM radyo teknolojisini derinlemesine öğrenmek isteyenler için oldukça uygun bir örnektir.

TA2003P Orta Dalga Alıcısı (Bunada Bayılırım)
Devrenin Genel Yapısı
Devre şu ana bölümlerden oluşur:
-
Anten ve RF giriş katı
-
Yerel osilatör ve mikser bölümü
-
IF (ara frekans) yükseltme ve demodülasyon
-
Ses çıkış ve filtreleme katı
-
Besleme ve dengeleme elemanları
Bu yapı, klasik FM radyo alıcılarının temel mimarisini yansıtır.
TA2003P Entegresinin Görevi
TA2003P, FM/AM alıcılar için geliştirilmiş çok fonksiyonlu bir entegredir ve şu görevleri üstlenir:
-
RF sinyalin alınması ve yükseltilmesi
-
Yerel osilatör sinyalinin üretilmesi
-
Mikser işlemi ile ara frekansın oluşturulması
-
FM demodülasyonu
-
Ses sinyalinin çıkışa verilmesi
Bu sayede harici eleman sayısı azalır ve devre daha düzenli hâle gelir.
Anten ve RF Giriş Katı
-
Anten, ortamda yayılan FM radyo dalgalarını toplar.
-
RF giriş bobini ve kondansatörler, istenmeyen frekansları bastırır.
-
Bu kat, sadece FM bandındaki sinyallerin entegreye ulaşmasını sağlar.
Anten kalitesi ve yerleşimi, alım mesafesini doğrudan etkiler.
Osilatör ve Frekans Ayar Bölümü
-
Ayarlı kondansatör (VC) ve bobinler, yerel osilatör frekansını belirler.
-
Alınan istasyon, bu osilatör sayesinde ara frekansa dönüştürülür.
-
Hassas ayar, doğru bobin sarımı ve kaliteli trimmer kondansatör ile mümkündür.
Bu bölüm, frekans kararlılığı açısından kritik öneme sahiptir.
Mikser ve IF (Ara Frekans) Katı
-
Antenden gelen RF sinyali ile yerel osilatör sinyali karıştırılır.
-
Sonuçta sabit bir ara frekans elde edilir.
-
IF katı bu sinyali yükseltir ve filtreler.
Bu aşama, alıcının seçiciliğini ve parazit dayanımını belirler.
FM Demodülasyon
-
Ara frekanstaki FM sinyal, entegre içinde demodüle edilir.
-
Taşıyıcı frekans üzerindeki ses bilgisi ayrıştırılır.
-
Gürültü bastırma devreleri ses kalitesini artırır.
Ses Çıkış Katı
-
Demodüle edilen ses sinyali, entegre çıkışından alınır.
-
Kondansatörler DC bileşenleri engeller.
-
Çıkış sinyali genellikle bir ses yükseltici entegreye veya amplifikatöre bağlanır.
Bu devre doğrudan hoparlör sürmek için tasarlanmamıştır.
Transistörlü Çıkış ve Destek Katları
-
Şemada yer alan transistörler, IF veya ses katını destekleyici görevler üstlenir.
-
Bazı transistörler RF yükseltme, bazıları ise ses ön yükseltme amacıyla kullanılır.
-
Bu yapı, entegre çıkışının daha verimli kullanılmasını sağlar.
Besleme Bölümü
-
Devre genellikle 3–6 V DC ile çalışır.
-
Besleme hattındaki kondansatörler gerilim dalgalanmalarını bastırır.
-
Kararlı bir besleme, frekans kaymasını ve gürültüyü azaltır.
Devrenin Çalışma Aşamaları
-
Anten FM sinyalini toplar
-
RF katı sinyali filtreler
-
Osilatör ve mikser ara frekansı oluşturur
-
IF katı sinyali yükseltir
-
FM demodülasyonu yapılır
-
Ses sinyali çıkıştan alınır
Devrenin Avantajları
-
Süperheterodin mimari sayesinde kararlı alım
-
TA2003P ile sade ve düzenli yapı
-
Daha iyi seçicilik
-
Temiz ses çıkışı
-
Eğitim ve hobi projeleri için uygun
Devrenin Sınırlamaları
-
Hassas ayar gerektirir
-
Bobin sarımı dikkat ister
-
Doğrudan hoparlör sürmez
-
PCB tasarımı kötü yapılırsa parazit artar
Kullanım Alanları
-
Klasik FM radyo projeleri
-
Eğitim amaçlı radyo uygulamaları
-
Amfi öncesi FM alıcı katı
-
Hobi elektroniği çalışmaları
Geliştirme Önerileri
-
Kaliteli ayarlı kondansatör kullanımı
-
RF ekranlama (metal muhafaza)
-
Daha iyi anten tasarımı
-
Düşük gürültülü ses yükseltici eklenmesi
Genel Değerlendirme
TA2003P entegreli bu FM radyo alıcısı devresi, temel FM alıcılardan daha ileri seviyede, fakat hâlâ öğrenmeye uygun bir yapıya sahiptir. Süperheterodin prensibi sayesinde frekans kararlılığı ve alım kalitesi belirgin şekilde iyileşir. Radyo elektroniğini derinlemesine öğrenmek isteyenler için güçlü bir örnektir.
